Product name
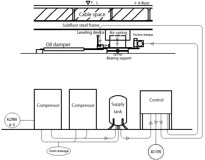
3D seismic isolation floor system
model number
None for completely made-to-order items
feature
- The seismic isolation effect does not change even if the size or position of the load on the seismically isolated floor changes.
- Even if the size or position of the load on the seismic isolation floor changes, the floor does not sink as seen with coil spring seismic isolation floors, and the floor height is maintained at a constant level.
- Friction dampers have reduced the discomfort associated with walking on the upper and lower seismic isolation floors.
- We handle everything from vibration analysis to design construction and performance verification.





